The 750 W (1 HP) brushless DC motors are highly efficient, compact, and lightweight due to the permanent magnets in their rotor. When used with an inverter, it enables speed control ranging from 300 to 4000 r/min. Smaller and lighter motors allow for reduced equipment size and easier installation.

  • Smaller and more lightweight compared to three-phase AC motors with the same output power
  • Achieves efficiency class IE5, saves energy and reduces electricity costs
  • Fanless and low noise
  • Operates in combination with an inverter. Speed-Torque specifications with various manufacturers' inverters are available. Please see the main product page.

*Connection Cable Required

Unit of Measure
Lead Time1 - {Contact your local sales office for more information.}

Motor Type

- Brushless DC Motor

Motor Frame Size

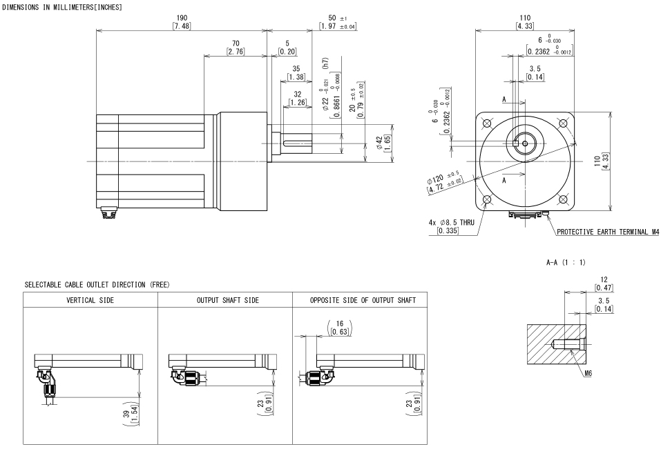
- 4.33 in.110 mm

Output Power

- 750 W

Input Voltage (V)

- Three-Phase 200 VAC

Shaft/Gear Type

- Parallel Shaft Gearhead

Gear Ratio (X:1)

- 5 :1

Output Shaft Diameter

- 22 mm

Electromagnetic Brake

- Not Equipped

Variable Speed Range (r/min)

- 300~4000 r/min (The minimum speed depends on the inverter to be combined.)

Type

- Brushless DC Motor

Permissible Load Inertia

- 6.25 oz-in²1.143 × 10-4 kg·m²

Components

- , GR Parallel Gearhead (5:1) ($368.00)
, 750 W (1 HP) Brushless DC Pinion Shaft Motor for Gearhead ($508.00)

Safety Standards

- UL CE

California Proposition 65

- CA WARNING
Cancer risk from exposure to Nickel. See www.P65Warnings.ca.gov
Risk of reproductive harm from exposure to Di-n-hexyl phthalate (DnHP). See www.P65Warnings.ca.gov
Risk of cancer and reproductive harm from exposure to Di(2-ethylhexyl phthalate (DEHP). See www.P65Warnings.ca.gov
See "?" or copy/paste www.P65Warnings.ca.gov in your browser.

Insulation Resistance (Motor)

- After continuous operation at room temperature and humidity, the resistance between the coil and case measured with a 500 V DC megger is 100 MΩ or more.

Dielectric Strength (Motor)

- After continuous operation at room temperature and humidity, no abnormalities are observed when 50 Hz, 1.5 kV AC is applied between the coil and case for 1 minute.

Temperature Rise (Motor)

- After mounting on a heat sink and operating continuously at rated temperature and humidity, the temperature rise on the case surface measured using a thermocouple method is 40°C or less.
The dimensions of the heat sink (material: aluminum) are as follows: 350 x 350 mm, thickness 10 mm.

Ambient Temperature Range

- 0–+40°C (no freezing)

Ambient Humidity

- 85% or less (no condensation)

Altitude

- Below 1000m above sea level

Operating Atmosphere

- No corrosive gases or dust. No water or oil. Do not use in special environments such as radioactive materials, magnetic fields, or vacuums.

Degree of Protection

- IP66


 


 

  • 1 Quoted Ship Date for orders placed before 12:00 pm PST. Quantities may affect Shipping Date.

 

©2025 - ORIENTAL MOTOR USA CORP. - All Rights Reserved