The BLE2 Series features a compact, high-power and high-efficiency brushless DC motor. The entire motor structure features our latest brushless DC motor technology and has been innovated in pursuit of the optimal performance. It is combined with a Driver that can be digitally set and controlled via external DC voltage or by the front panel.
  • Speed Control Range 80~4000 r/min
  • Torque Limit Function
  • The Driver can be Digitally Set and Controlled via the Front Panel.
*Connection Cable Required.

Unit of Measure
Lead Time1 - {Contact your local sales office for more information.}

Motor Type

- Brushless DC Motor

Motor Frame Size

- 3.54 in.90 mm

Output Power

- 400 W (1/2 HP)

Power Supply

- Three-Phase 200-240 VAC

Shaft/Gear Type

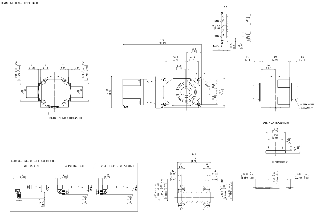
- Right-Angle Hollow Shaft (Stainless Steel) Gearhead

Gear Ratio (X:1)

- 15 :1

Output Shaft Diameter

- 1 inch

Rated Torque

- 126.57 lb-in14.3 N·m

Electromagnetic Brake

- Not Equipped

Variable Speed Range (r/min)

- 5.3 ~ 240

Permissible Load Inertia

- 12302 oz-in²*When instantaneous stop or instantaneous bi-directional operation is performed = 4100 oz-in²2250 x 10-4 kg·m²*When instantaneous stop or instantaneous bi-directional operation is performed = 750 x 10-4 kg·m²

Permissible Radial Load

- 0.79 in. from Shaft End = 423 lb20 mm from Shaft End = 1882 N

Permissible Axial Load

- 96 lb429 N

Max. Extension Length

- 20.5 m (65.6 ft.)

Components

- , JH Series Right-Angle Shaft Gearhead (15:1) (Imperial Shaft) ($640.00)
, Brushless DC Motor Driver (Three-Phase 200-240 VAC) ($358.00)
, 400 W (1/2 HP) BLE2 Series Brushless DC Motors Brushless DC Pinion Shaft Motor ($273.00)

RoHS Compliant

- These products do not contain substances that exceed the regulation values in the RoHS Directive.

Safety Standards

- UL CSA CE

CE Marking

- Low Voltage Directives EMC Directives

California Proposition 65

- CA WARNING
Cancer risk from exposure to Nickel. See www.P65Warnings.ca.gov
Risk of reproductive harm from exposure to Di-n-hexyl phthalate (DnHP). See www.P65Warnings.ca.gov
Risk of cancer and reproductive harm from exposure to Di(2-ethylhexyl phthalate (DEHP). See www.P65Warnings.ca.gov
See "?" or copy/paste www.P65Warnings.ca.gov in your browser.

Insulation Resistance (Motor)

- 100 MΩ or more when 500 VDC megger is applied between the windings and the case after continuous operation under normal ambient temperature and humidity.

Insulation Resistance (Driver)

- 100 MΩ or more when a 500 VDC megger is applied between the power supply terminal and the protective earth terminal and between the power supply terminal and the I/O signal terminal after continuous operation under normal ambient temperature and humidity.

Dielectric Strength (Motor)

- Sufficient to withstand 1.5 kVAC at 50 Hz applied between the windings and the case for 1 minute after continuous operation under normal ambient temperature and humidity.

Dielectric Strength (Driver)

- Sufficient to withstand 1.5 kVAC at 50 Hz applied between the power supply terminal and the protective earth terminal for 1 minute and 1.5 kVAC at 50 Hz between the power supply terminal and the I/O terminal for 1 minute after continuous operation under normal ambient temperature and humidity.

Temperature Rise (Motor)

- The temperature rise of the windings is 90ºF (50ºC) and that of the case is 72ºF (40ºC) when measured by the thermocouple method after rated continuous operation under normal ambient temperature and humidity.

Temperature Rise (Driver)

- Temperature rise of the heat sink is 90ºF (50ºC) or less measured by the thermocouple method after rated continuous operation under normal ambient temperature and humidity.

Ambient Temperature Range

- Motor: 32ºF ~ 104ºF (0ºC ~ 40ºC), nonfreezing
Driver: 32ºF ~ 122ºF (0ºC ~ 50ºC)

Ambient Humidity

- 85% or less, noncondensing

Altitude

- Up to 3300 ft (1000 m) above sea level.

Operating Atmosphere

- No corrosive gases or dust. Cannot be used in a radioactive area, magnetic field, vacuum or other special environment.

Thermal Class

- CSA standards: 105 (A), EN standards: 120 (E) UL

Degree of Protection

- [Motor] IP66
[Driver] IP20

Speed Control Method (Select one of the following)

- Digital Setting:
  • Control Panel
  • Data Setting Software MEXE02

Analog Setting:
  • External Speed Potentiometer
  • External DC Voltage: DC 0 ~ 10 V, 1 mA min.

Number of Speed Settings

- Max. 16 points (Factory setting: 4 points)

Acceleration/Deceleration Time

- 0.0 ~ 15.0 s (Factory setting: 0.5 s)

Torque Limiting

- 0~300% (Factory Setting: 300%)
Digital Setting:
  • Control Panel
  • Data Setting Software MEXE02
Analog Setting
  • External Speed Potentiometer
  • External DC Voltage: DC 0 ~ 10 V, 1 mA min.

Input Signals

- Photocoupler Input Input Resistance: 6.6 kΩ
Connectable External DC Power Supply: 24 VDC -15 ~ +20% Current 100 mA min.
Sink Input/Source Input Supports External Wiring
Arbitrary signal assignment to IN0 ~ IN6 input (7 points) is possible. [ ]: Initial Setting
[FWD], [REV], [STOP-MODE], [M0], [M1], [ALARM-RESET], [Not Used], M2, M3, H-FREE, TL, INFO-CLR, HMI, EXT-ERROR, START/STOP, RUN/BRAKE, CW/CWW

Output Signals

- Photocoupler and Open-Collector Output (ON Power supply: 1.6 V max.)
External Power Supply: 4.5 ~ 30 V 100 mA max. (5 mA min. for SPEED-OUT output)
Sink Output/Source Output Supported through external wiring
Arbitrary signal assignment to OUT0, OUT1 (2 points) is possible. [ ]: Initial setting
[SPEED-OUT], [ALARM-OUT], MOVE, INFO, TLC, VA, DIR

Protective Function

- When the following protective functions are activated, the output from ALARM-OUT will turn OFF and the motor will perform a coasting stop. At the same time, the alarm code will be displayed and the Alarm LED flashes red.
Overcurrent, main circuit overheat, overvoltage, undervoltage, sensor error, main circuit output error, overload, over-speed, EEPROM error, initial sensor error, initial operation prohibited, external stop

Time Rating

- Continuous


 

 


 


 

  • 1 Quoted Ship Date for orders placed before 12:00 pm PST. Quantities may affect Shipping Date.

 

©2025 - ORIENTAL MOTOR USA CORP. - All Rights Reserved