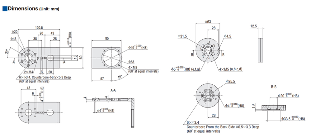
These mounting brackets can be used on SCARA OVR3041K3-H.

Mounting Brackets

Unit of Measure
Lead Time1 - {Contact your local sales office for more information.}

California Proposition 65

- CA WARNING
Cancer risk from exposure to Nickel. See www.P65Warnings.ca.gov
Risk of reproductive harm from exposure to Di-n-hexyl phthalate (DnHP). See www.P65Warnings.ca.gov
Risk of cancer and reproductive harm from exposure to Di(2-ethylhexyl phthalate (DEHP). See www.P65Warnings.ca.gov
See "?" or copy/paste www.P65Warnings.ca.gov in your browser.


 


 

  • 1 Quoted Ship Date for orders placed before 12:00 pm PST. Quantities may affect Shipping Date.

 

©2025 - ORIENTAL MOTOR USA CORP. - All Rights Reserved