The BMU Series features a compact, high-power and high-efficiency brushless DC motor (BLDC motor) and is combined with an easy to use, easy to set speed controller. The entire motor structure features our latest brushless DC motor technology and has been innovated in pursuit of the optimal performance.
  • IP67 Rated
  • High-efficiency motor
  • Wide Speed Control Range
  • Easy wiring and set up
  • Expanded functions
*Connection Cable Required.

Unit of Measure
Lead Time1 - {Contact your local sales office for more information.}

Motor Type

- Brushless DC Motor

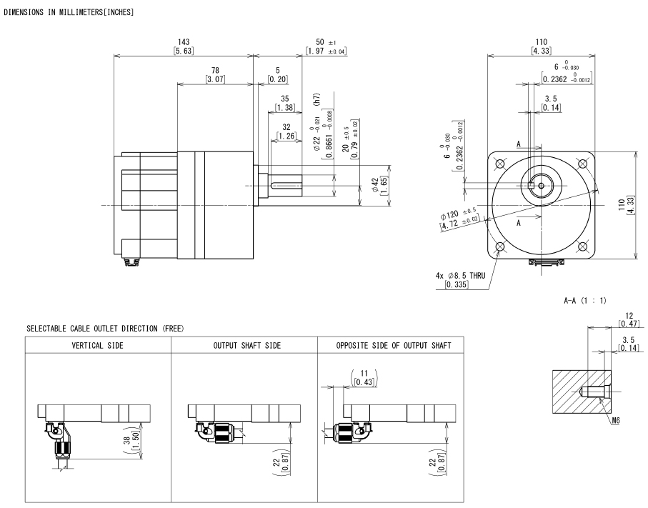
Motor Frame Size

- 4.33 in.110 mm

Output Power

- 300 W (2/5 HP)

Power Supply

- Single-Phase / Three-Phase 200-240 VAC

Shaft/Gear Type

- Parallel Shaft Gearhead (Stainless Steel Shaft)

Gear Ratio (X:1)

- 15 :1

Output Shaft Diameter

- 22 mm

Rated Torque

- 114 lb-in12.9 N·m

Electromagnetic Brake

- Not Equipped

Variable Speed Range (r/min)

- 5.3 ~ 267

Permissible Load Inertia

- 5500 oz-in²*When instantaneous stop or instantaneous bi-directional operation is performed = 2500 oz-in²1000 x 10-4 kg·m²*When instantaneous stop or instantaneous bi-directional operation is performed = 450 x 10-4 kg·m²

Permissible Radial Load

- 0.39 in. from Shaft End = 123
0.79 in. from Shaft End = 180 lb
10 mm from Shaft End = 550
20 mm from Shaft End = 800 N

Permissible Axial Load

- 45 lb200 N

Max. Extension Length (m)

- 10.5

Components

- , 300 W (2/5 HP) BLM Series Brushless DC Pinion Shaft Motor () ($370.00)
, Brushless DC Motor Driver (Single-Phase, Three-Phase 200-240 VAC) ($263.00)
, GFV Series IP67 Parallel Shaft Gearhead (15:1 Gear Ratio) ($304.00)

RoHS Compliant

- These products do not contain substances that exceed the regulation values in the RoHS Directive.

Safety Standards

- UL CSA CE

CE Marking

- Low Voltage Directives EMC Directives

California Proposition 65

- CA WARNING
Cancer risk from exposure to Nickel. See www.P65Warnings.ca.gov
Risk of reproductive harm from exposure to Di-n-hexyl phthalate (DnHP). See www.P65Warnings.ca.gov
Risk of cancer and reproductive harm from exposure to Di(2-ethylhexyl phthalate (DEHP). See www.P65Warnings.ca.gov
See "?" or copy/paste www.P65Warnings.ca.gov in your browser.

Insulation Resistance (Motor)

- 100 MΩ or more when 500 VDC megger is applied between the windings and the case after continuous operation under normal ambient temperature and humidity.

Insulation Resistance (Driver)

- 100 MΩ or more when a 500 VDC megger is applied between the power supply terminal and the protective earth terminal and between the power supply terminal and the I/O signal terminal after continuous operation under normal ambient temperature and humidity.

Dielectric Strength (Motor)

- Sufficient to withstand 1.5 kVAC at 50 Hz applied between the windings and the case for 1 minute after continuous operation under normal ambient temperature and humidity.

Dielectric Strength (Driver)

- No abnormality is judged even with application of 1.5 VAC at 50 Hz between the power supply terminal and the protective earth terminal and with application of 1.5 kVAC at 50 Hz between the power supply terminal and the I/O terminal for 1 minute after continuous operation under normal ambient temperature and humidity.

Temperature Rise (Motor)

- The maximum temperature rise of the windings is 90ºF (50ºC) and that of the case is 72ºF (40ºC) when measured by the thermocouple method after rated continuous operation under normal ambient temperature and humidity.

Temperature Rise (Driver)

- Temperature rise of the heat sink is 90ºF (50ºC) or less measured by the thermocouple method after rated continuous operation under normal ambient temperature and humidity.

Ambient Temperature Range

- 32ºF ~ 104ºF (0ºC ~ 40ºC), nonfreezing

Ambient Humidity

- 85% or less, noncondensing

Altitude

- Up to 3300 ft (1000 m) above sea level.

Operating Atmosphere

- No corrosive gases or dust. Cannot be used in a radioactive area, magnetic field, vacuum or other special environment.

Thermal Class

- CSA standards: 105 (A), EN standards: 120 (E) UL

Degree of Protection

- [Motor] IP67
[Driver] IP20

Speed Control Method (Select one of the following)

- Digital Setting using the dial

Number of Speed Settings

- 4

Acceleration/Deceleration Time

- Analog Setting: 0.1 ~ 15.0 s (Time setting from stopped state until reaching rated speed)
Common setting for acceleration/deceleration time with the use of acceleration/deceleration time potentiometer*.
Digital setting: 0.0 ~ 15.0 s (Time setting from current speed to setting speed)
Individual settings for acceleration time/deceleration time for each operating data*.
*Acceleration time/deceleration time varies with the load condition of the motor.

Input Signals

- Photocoupler Input method Input Resistance: 6.6 kΩ
Operation by internal power supply: 5 VDC
Connectable External DC Power Supply: 24 VDC -15~+20% Current 100 mA or more
Sink input/Source input Supplied through external wiring.

Arbitrary signal assignment to IN0~IN4 input (5 points) is possible [ ]: Initial Setting
[FWD], [REV], [MO], [M1], [ALARM-RESET], EXT-ERROR, H-FREE.

Output Signals

- Photocoupler and Open-Collector Output
External Power Supply: 4.5 ~ 30 VDC Current 100 mA or less
Sink output/Source output Supplied through external wiring.

Arbitrary signal assignment to OUT0, OUT1 (2 points) is possible [ ]:Initial Setting
[ALARM-OUT1], [SPEED-OUT], ALARM-OUT2, MOVE, VA, WNG

Protective Function

- When the following protective functions are activated, ALARM-OUT1 output turns OFF and the motor will undergo a coasting stop. At the same time, the alarm code will be displayed. (Instantaneous stop for external stop only)
Overcurrent, Main circuit overheating, Overvoltage, Undervoltage, Sensor error, Overload, Overspeed, EEPROM error, Initial sensor error, Initial operation inhibition, External stop

Time Rating

- Continuous


 


 

 


 


 

  • 1 Quoted Ship Date for orders placed before 12:00 pm PST. Quantities may affect Shipping Date.

 

©2025 - ORIENTAL MOTOR USA CORP. - All Rights Reserved