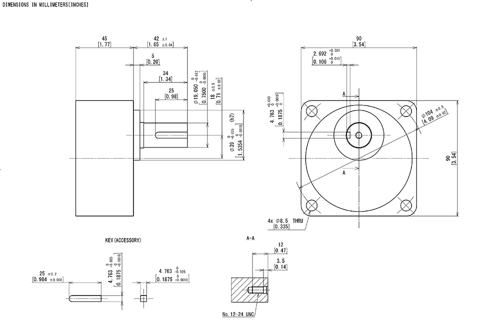
Parallel Shaft Gearhead for use with a wide variety of motors.

Gearheads

Gearheads

Unit of Measure
Available to Ship1 - {Contact your local sales office for more information.}

Frame Size

- 3.54 in90 mm

Shaft/Gear Type

- Parallel Shaft Gearhead

Gear Ratio (X:1)

- 10 :1

Output Shaft Diameter

- 3/4 in.

RoHS Compliant

- Yes

California Proposition 65

- CA WARNING
Cancer risk from exposure to Nickel. See www.P65Warnings.ca.gov
Risk of reproductive harm from exposure to Di-n-hexyl phthalate (DnHP). See www.P65Warnings.ca.gov
Risk of cancer and reproductive harm from exposure to Di(2-ethylhexyl phthalate (DEHP). See www.P65Warnings.ca.gov
See "?" or copy/paste www.P65Warnings.ca.gov in your browser.


 

  • 1 Quoted Ship Date for orders placed before 12:00 pm PST. Quantities may affect Shipping Date.

 

©2025 - ORIENTAL MOTOR USA CORP. - All Rights Reserved